唐伯虎高三校服糖心,鞍山大三舞蹈系学生赵子涵,小陈头星合集资源

炼化企业纷纷上马的PBAT项目究竟是什么?国内生产企业及产能情况又如何?

2020-10-11发布者:若悟369

目前,中国已有20多个省份相继发布新的“限塑令”。在替代品新风口下,PLA、PBAT、PHA等,可降解塑料材料备注关注,因此在9月份,国内多家炼化企业纷纷上马PBAT项目,一时间到底是什么PBAT?它怎样的前景引得这么多炼化企业要参与其中?
PBAT作为一种全生物可降解塑料,目前被广泛应用于超市购物袋,外卖餐盒,农用地膜等农工商医等领域。
随着限塑令的推出和绿色消费市场的扩大,PBAT作为环保材料具有较好的发展前景。目前市面上很多全生物降解购物袋的材料都是采用的PBAT,这让人们对PBAT的印象深刻,那么PBAT是如何生产出来的呢?
 
PBAT介绍
 
PBAT是以1,4-丁二醇(BDO)、己二酸(AA)、对苯二甲酸(PTA)或对苯二甲酸二醇酯(DMT)为原料, 通过直接酯化或酯交换法而制得
PBAT的制备工艺
 
PBAT的制备有三种酯化方式:共酯化、分酯化和串联酯化。制备流程图及主要工艺参数如下图1、图2、图3所示。
以己二酸(AA)、对苯二甲酸(PTA)、丁二醇(BDO)为单体,按照一定比例合成聚己二酸/对苯二甲酸丁二醇酯,工艺过程中重点在于严格控制反应的酯化方式、酯化时间、缩聚温度、稳定剂等。这些关键因素能够直接影响合成过程,最终影响产品的性能。为确保制备出良好的PBAT树脂,所需的最佳工艺条件为:共酯化反应方式,酯化时间为185 min,缩聚温度248~250 ℃,稳定剂添加量70 μg/gPBAT的制备有三种酯化方式,包括:共酯化、分酯化和串联酯化。
 
PBAT生产工艺
 
工 艺 一
扬州普立特科技发展有限公司成功开发出一种全连续PBAT的生产工艺,其流程图如下图所示。
2020年5月,普立特工程研发中心与工程部共同实施的PBAT合成新工艺获得验证。

 
PBAT 成品(2020.05.26)-POLYTEX技术
工 艺 二
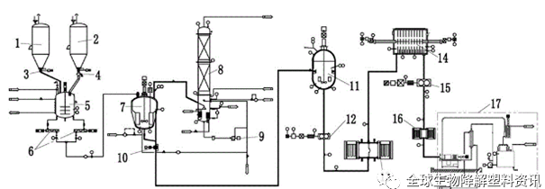
惠通公司与国内知名科研机构共同开发,结合PBAT的特点,成功开发出直接连续酯化法生产工艺,流程简图如下:
 
那么,在现阶段,哪些中国企业在布局可降解塑料生产线,并且正处于产能快速扩张过程中?
         
神华榆林:
总投资94024.98万元,5万吨/年聚乙醇酸示范项目即将开建该项目以合成气为原料,经“合成气-草酸二甲酯-乙醇酸甲酯-聚乙醇酸”工艺路线,实现了可降解塑料——聚乙醇酸的制备。
 
利用浦景化工自主研发的两步法PGA技术于2019年底在内蒙古浦景聚合材料科技有限公司建成1500吨/年聚乙醇酸示范装置,目前该装置已实现稳定运行,生产出合格聚乙醇酸产品,并通过了中国石油和化学工业联合会组织的现场运行考核。
 
金发科技
金发科技拥有生物降解聚酯合成产能6万吨,并配有专业生物降解塑料改性生产线,产品涵盖PBAT、PBS、PLA 树脂及相关改性材料。
 
目前在建6万吨PBAT生产线进展顺利,预计新建产能将于2021年投产
 
2020上半年,金发科技公司完全生物降解塑料在国内外市场销售稳中有升,产品实现销量3.14万吨,同比增长49.28%。   
安徽丰原福泰来 
8月14日,安徽丰原福泰来聚乳酸有限公司宣布成功下线聚乳酸粒子成品,这标志着中国第一条全产业链聚乳酸生产线实现量产。
  
目前,该公司聚乳酸项目二期的建设工程也已经启动,预计到2022年,聚乳酸将达到年产100万吨级的规模。 
 
 
 
 
海正生物材料
公司成立于2004年,现有年产能2.5万吨,并有在建年产5万吨的新基地。
金丹科技
金丹科技半年报显示,公司规划项目中包含10万吨的PLA工程项目。上半年,金丹科技营业收入及净利润双双增长一成多,公司提到的有利因素中就包括PLA市场需求快速增长。
 
金丹科技表示,预计未来几年,作为环境友好型生物基可降解材料,随着禁塑令的推进,塑料、包装、纺织、农用地膜等新兴应用领域需求将快速增长,带动聚乳酸需求迅速提升,聚乳酸将超过食品和饮料行业成为乳酸的第一大应用领域。
中粮科技
引入比利时生产技术,将于安徽合作建立玉米-乳酸-丙交酯-聚乳酸的全产业链生产基地。中粮科技下属联营公司中粮生物材料设计产能为聚乳酸原料和制品3万吨/年,已量产。
           
丰原集团
2019年3月,丰原集团与通辽经济技术开发区签约“百万吨级可降解塑料聚乳酸PLA”项目,总投资额达120亿,分三期建设。其中,一期项目投资50亿元,预计年产量达30万吨聚乳酸,于2019年开始建设,2021年建成投产。
天津国韵生物科技           
在天津已建设年产1万吨/年的PHA生产线,与北京福创投资公司合作后,拟在吉林筹建10万吨/年新工厂。
           
蓝晶微生物
于 2017年 2 月宣布完成生物可降解材料 PHA 的中试生产,2018 年初,公司在深圳建立了研发中心并投入运行。
           
2019年其又与清华大学、中化国际轻量化材料事业部签署战略合作协议,使用价格低廉的海水作为底物,实现 PHA 的产业化,有可能实现低成本的生产技术。
瑞丰高材
今年3月,瑞丰高材发布公告称,公司拟投资建设年产6万吨PBAT生物降解塑料项目,项目投资金额不超过人民币3.2亿元。
日前,瑞丰高材公布,该项目已经完成环境审批,相关环境部门同意该项目按申报工艺、规模、地点和污染防治措施等进行建设。
           
项目正在进行土建工艺设计和施工手续办理工作。公司将积极推进相关工作,争取于2020年9月中旬左右进入施工建设阶段。
 
彤程新材
今年5月,巴斯夫与彤程新材签署了一项联合协议,授权彤程新材根据巴斯夫高质量标准生产和销售经认证的可堆肥共聚酯(PBAT)。
           
为此,彤程新材将在上海建造一套产能为6万吨的PBAT生产装置。该装置将采用巴斯夫工艺技术,出产的原材料将部分交由巴斯夫作为ecoflex 产品销售。新装置将于2022年投产,供应生物聚合物市场。
▲ 巴斯夫与彤程新材于8月在上海联合举办了一场可持续发展论坛  图源:巴斯夫进行时
           
万华化学
公司将于四川眉山投资建设年产 6 万吨生物降解聚酯(PBAT) 项目,总投资额 3.6 亿元,目前项目正处于环评阶段,未来有望为万华打开新的业绩增长点。
           
9月4日,万华化学(四川)有限公司委托山东正信招标有限责任公司发布年产6万吨生物降解聚酯项目国际招标公告,招标产品是PBAT切粒机组。
华峰氨纶(华峰集团)
大规模产能开建,利用规模效益有望为公司在可降解塑料领域打开市场。公司将于江苏启东投资建设30万吨PBAT、30万吨聚碳酸环己内酯(PCHC)项目,项目总投资100亿元,并计划于2020年10月份开工建设。
          
恒力石化
预计今年下半年,公司将投产3.3万吨的PBAT可降解塑料产能。
 
恒力石化公开表示,禁塑令管控最严的购物袋、农膜和外卖包装袋,国内一年消费超过900万吨,市场潜力巨大,可降解塑料将逐步进入消费爆发期。公司目前新建的3.3万吨/年PBAT(全生物可降解塑料)项目,预计在今年年底投产。
 
恒力石化今年下半年将投产60万吨的聚酯 DTY、 POY 新产能以及3.3 万吨的 PBAT可降解塑料产能,剩余产能建设预计将于明年投放,公司聚酯总产能规模也将达到年产超过 400万吨以上规模。
 
天眼查数据显示,截至目前,中国经营范围为可降解材料的相关企业共计3358家。其中,2019年相关企业新增数量达514家,年增速为15.05%,是中国可降解材料相关企业注册数量最多、增速最快的一年。
 
值得注意的是,截至今年7月1日,以工商登记为准,中国新增可降解材料相关企业255家,同比增长约23%。
 
 
PBAT项目疯狂上马
 
随着国内各地禁塑政策的逐步制定和强制执行,可降解塑料的不可替代性更加突出。据华安证券统计,截至2020年7月,已有36家公司在建或拟建可降解塑料项目,新增产能合计440.5万吨到2025年,考虑到可降解塑料产能开工率低,我国产能要达到476万吨才能满足需求。
 
截至2020年6月底,全球PBAT产能为27.9万吨/年,全球最大的PBAT生产企业为德国巴斯夫(BASF),年产能为7.4万吨。我国已建成PBAT产能为13万吨,占全球总产能的46%。
 
由于我国PBAT市场前景广阔,国内各具备相应实力的企业正争相进入PBAT市场,如表1所示的这些企业已经公布PBAT建设计划。
 
表1  国内生产企业及产能情况
 
PBAT与PE之间的价差可高达3倍
2019年国内PLA的价格区间在1.6万~3万元人民币每吨,PBAT的价格区间在1.4万~2.5万元每吨,同期PE(聚乙烯)的均价在8378元每吨(含税价),PP(聚丙烯)的均价在9351元每吨(含税价)。相对普通塑料制品而言如PE、PP等,PLA和PBAT的价格仍然偏高,增加了终端用户的成本和费用。以PE为例:PLA比是PE价格的1.9~3.6倍,PBAT是PE价格的1.7~3倍,价格差距较大。
行业亟需规范发展
业内专家指出,可降解塑料目前仍处于发展的初期阶段。可降解塑料还有一些悬而未决的问题也亟待讨论,亟需政府和相关行业给出解决办法。
 
1原材料问题
由于现阶段大多数生物可降解塑料仍来自于粮食原材料,当未来产量大幅提高时,原材料使用将可能影响到粮食安全问题,并与农业用地产生竞争,或者扩大农业用地导致林业破坏。
 
2质量和价格瓶颈
目前生物可降解塑料在质量与经济性上仍存在一定的提升空间,在替代现有塑料产品以及满足商家需求上仍有一定距离。
 
3安全性问题
生物可降解塑料在制造过程中同样会使用到化学添加剂,这些添加剂是否存在生态毒性,又该如何管理?
 
此外现在大力推广可降解塑料应用,从社会角度还存在以下困扰:
 
市面上现在存在生物可降解塑料、伪生物可降解塑料、氧化降解塑料、光降解塑料、传统材质的普通塑料……各类可降解与不可降解的塑料产品混杂,消费者难以分辨。
 
消费者除难以分辨可降解与不可降解塑料外,对生物可降解塑料的垃圾分类投放认知也存在不足。
 
国家并行多个可降解塑料相关的标准,且暂无完整生物可降解塑料认证体系,市场监管困难。
 
目前,后端收运和处理的发展速度跟不上生物可降解塑料推广应用的脚步。
 
专家预测,尽管还有很多实际问题,但政府禁塑的决心非常大,随着消费需求的逐渐增加,绿色环保的可持续发展战略必将推动其研发和扩大其应用,规模化及技术进步对可降解塑料带来的成本下降,必定会使可降解塑料发展迎来良好机遇。
移动官网
微信公众号
主站蜘蛛池模板: 荆门市| 青海省| 宝清县| 祥云县| 滕州市| 饶平县| 昌都县| 梁山县| 清河县| 克东县| 信阳市| 体育| 安新县| 杨浦区| 微博| 陈巴尔虎旗| 鸡泽县| 海淀区| 兴仁县| 长武县| 大悟县| 长阳| 西乡县| 左云县| 嘉定区| 呼玛县| 新晃| 长沙县| 全南县| 苏尼特右旗| 岢岚县| 河曲县| 承德市| 灵石县| 南安市| 高邑县| 建宁县| 乌拉特后旗| 周口市| 阳江市| 龙川县|